Bobcat Quick Hitch Parts . bobcat quick attach parts | shop replacement parts for your bobcat skid steer's quick attach system. These quick hitches offer a reliable and efficient solution for. Made in the usa by rvm, not china Uses all oem compatible parts which are available from rvm or your local bobcat dealer. bienvenue dans la boutique en ligne officielle des pièces détachées bobcat, votre destination de choix pour des pièces de. Quick hitches for bobcat e26, e14, e10, e16, e25, e19, e20 mini excavators/ diggers.
from repair-manuals.com
bobcat quick attach parts | shop replacement parts for your bobcat skid steer's quick attach system. Quick hitches for bobcat e26, e14, e10, e16, e25, e19, e20 mini excavators/ diggers. Made in the usa by rvm, not china bienvenue dans la boutique en ligne officielle des pièces détachées bobcat, votre destination de choix pour des pièces de. Uses all oem compatible parts which are available from rvm or your local bobcat dealer. These quick hitches offer a reliable and efficient solution for.
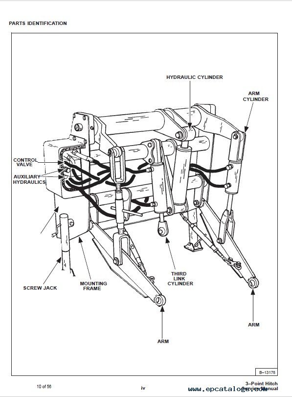
Bobcat ThreePoint Hitch Adapter Operation & Maintenance Manual
Bobcat Quick Hitch Parts bienvenue dans la boutique en ligne officielle des pièces détachées bobcat, votre destination de choix pour des pièces de. bienvenue dans la boutique en ligne officielle des pièces détachées bobcat, votre destination de choix pour des pièces de. Made in the usa by rvm, not china Quick hitches for bobcat e26, e14, e10, e16, e25, e19, e20 mini excavators/ diggers. bobcat quick attach parts | shop replacement parts for your bobcat skid steer's quick attach system. These quick hitches offer a reliable and efficient solution for. Uses all oem compatible parts which are available from rvm or your local bobcat dealer.
From www.vanderhaags.com
Bobcat S750 Quick Coupler 7128962 Bobcat Quick Hitch Parts Made in the usa by rvm, not china bobcat quick attach parts | shop replacement parts for your bobcat skid steer's quick attach system. Quick hitches for bobcat e26, e14, e10, e16, e25, e19, e20 mini excavators/ diggers. Uses all oem compatible parts which are available from rvm or your local bobcat dealer. These quick hitches offer a reliable. Bobcat Quick Hitch Parts.
From www.bigiron.com
Bobcat Quick Attach Assembly BigIron Auctions Bobcat Quick Hitch Parts These quick hitches offer a reliable and efficient solution for. bobcat quick attach parts | shop replacement parts for your bobcat skid steer's quick attach system. bienvenue dans la boutique en ligne officielle des pièces détachées bobcat, votre destination de choix pour des pièces de. Uses all oem compatible parts which are available from rvm or your local. Bobcat Quick Hitch Parts.
From poconometalcraft.com
Bobcat XChange Universal Quick Attach Coupler BOBCATECOUP Pocono Bobcat Quick Hitch Parts bienvenue dans la boutique en ligne officielle des pièces détachées bobcat, votre destination de choix pour des pièces de. Made in the usa by rvm, not china These quick hitches offer a reliable and efficient solution for. bobcat quick attach parts | shop replacement parts for your bobcat skid steer's quick attach system. Uses all oem compatible parts. Bobcat Quick Hitch Parts.
From stores.allskidsteers.com
Right Bobtach Handle Kit Complete for Bobcat® 751 753 763 773 7753 853 Bobcat Quick Hitch Parts bobcat quick attach parts | shop replacement parts for your bobcat skid steer's quick attach system. Quick hitches for bobcat e26, e14, e10, e16, e25, e19, e20 mini excavators/ diggers. Uses all oem compatible parts which are available from rvm or your local bobcat dealer. These quick hitches offer a reliable and efficient solution for. bienvenue dans la. Bobcat Quick Hitch Parts.
From www.epcatalogs.com
Bobcat Three Point Hitch Service Manual PDF Bobcat Quick Hitch Parts Uses all oem compatible parts which are available from rvm or your local bobcat dealer. Made in the usa by rvm, not china Quick hitches for bobcat e26, e14, e10, e16, e25, e19, e20 mini excavators/ diggers. These quick hitches offer a reliable and efficient solution for. bobcat quick attach parts | shop replacement parts for your bobcat skid. Bobcat Quick Hitch Parts.
From finneyparts.us
7143508 BOBCAT Bobtach G series quick attachment for 770 S150 S160 S175 Bobcat Quick Hitch Parts bienvenue dans la boutique en ligne officielle des pièces détachées bobcat, votre destination de choix pour des pièces de. Quick hitches for bobcat e26, e14, e10, e16, e25, e19, e20 mini excavators/ diggers. bobcat quick attach parts | shop replacement parts for your bobcat skid steer's quick attach system. Made in the usa by rvm, not china Uses. Bobcat Quick Hitch Parts.
From finneyparts.us
7143508 BOBCAT Bobtach G series quick attachment for 770 S150 S160 S175 Bobcat Quick Hitch Parts Made in the usa by rvm, not china These quick hitches offer a reliable and efficient solution for. bienvenue dans la boutique en ligne officielle des pièces détachées bobcat, votre destination de choix pour des pièces de. Quick hitches for bobcat e26, e14, e10, e16, e25, e19, e20 mini excavators/ diggers. Uses all oem compatible parts which are available. Bobcat Quick Hitch Parts.
From all-excavators.com
Geith Hydraulic Quick Hitch Bobcat E27/Doosan DX27 for sale from United Bobcat Quick Hitch Parts These quick hitches offer a reliable and efficient solution for. bienvenue dans la boutique en ligne officielle des pièces détachées bobcat, votre destination de choix pour des pièces de. Uses all oem compatible parts which are available from rvm or your local bobcat dealer. Made in the usa by rvm, not china bobcat quick attach parts | shop. Bobcat Quick Hitch Parts.
From www.tractorpartsasap.com
Quick Attach Coupler Plate fits Bobcat A770 S630 S650 S740 S750 S770 Bobcat Quick Hitch Parts Made in the usa by rvm, not china bienvenue dans la boutique en ligne officielle des pièces détachées bobcat, votre destination de choix pour des pièces de. Quick hitches for bobcat e26, e14, e10, e16, e25, e19, e20 mini excavators/ diggers. These quick hitches offer a reliable and efficient solution for. Uses all oem compatible parts which are available. Bobcat Quick Hitch Parts.
From www.bigiron.com
BigIron Bobcat Quick Hitch Parts Quick hitches for bobcat e26, e14, e10, e16, e25, e19, e20 mini excavators/ diggers. bobcat quick attach parts | shop replacement parts for your bobcat skid steer's quick attach system. Uses all oem compatible parts which are available from rvm or your local bobcat dealer. These quick hitches offer a reliable and efficient solution for. Made in the usa. Bobcat Quick Hitch Parts.
From www.walmart.com
Titan Attachments Heavy Duty Quick Tach Pallet Fork Frame 2 in Trailer Bobcat Quick Hitch Parts These quick hitches offer a reliable and efficient solution for. bienvenue dans la boutique en ligne officielle des pièces détachées bobcat, votre destination de choix pour des pièces de. Quick hitches for bobcat e26, e14, e10, e16, e25, e19, e20 mini excavators/ diggers. Uses all oem compatible parts which are available from rvm or your local bobcat dealer. Made. Bobcat Quick Hitch Parts.
From www.bobcat.com
3Point Adapter Attachment Bobcat Company Bobcat Quick Hitch Parts These quick hitches offer a reliable and efficient solution for. bobcat quick attach parts | shop replacement parts for your bobcat skid steer's quick attach system. Made in the usa by rvm, not china Uses all oem compatible parts which are available from rvm or your local bobcat dealer. bienvenue dans la boutique en ligne officielle des pièces. Bobcat Quick Hitch Parts.
From www.ebay.com
Bobcat 3 Point 7376709 Quick Hitch eBay Bobcat Quick Hitch Parts bobcat quick attach parts | shop replacement parts for your bobcat skid steer's quick attach system. These quick hitches offer a reliable and efficient solution for. bienvenue dans la boutique en ligne officielle des pièces détachées bobcat, votre destination de choix pour des pièces de. Quick hitches for bobcat e26, e14, e10, e16, e25, e19, e20 mini excavators/. Bobcat Quick Hitch Parts.
From finneyparts.us
7143508 BOBCAT Bobtach G series quick attachment for 770 S150 S160 S175 Bobcat Quick Hitch Parts bobcat quick attach parts | shop replacement parts for your bobcat skid steer's quick attach system. These quick hitches offer a reliable and efficient solution for. Made in the usa by rvm, not china Uses all oem compatible parts which are available from rvm or your local bobcat dealer. bienvenue dans la boutique en ligne officielle des pièces. Bobcat Quick Hitch Parts.
From www.jackssmallengines.com
Bunton, Bobcat, Ryan 7370680 Terra Rake RK260 (Steiner) Parts Diagram Bobcat Quick Hitch Parts bienvenue dans la boutique en ligne officielle des pièces détachées bobcat, votre destination de choix pour des pièces de. Quick hitches for bobcat e26, e14, e10, e16, e25, e19, e20 mini excavators/ diggers. Made in the usa by rvm, not china bobcat quick attach parts | shop replacement parts for your bobcat skid steer's quick attach system. Uses. Bobcat Quick Hitch Parts.
From www.ebay.com
RANSOMES BOBCAT WALK BEHIND MOWER MALE QUICK HITCH PARTS MANUAL HYDRO Bobcat Quick Hitch Parts Made in the usa by rvm, not china bienvenue dans la boutique en ligne officielle des pièces détachées bobcat, votre destination de choix pour des pièces de. bobcat quick attach parts | shop replacement parts for your bobcat skid steer's quick attach system. Quick hitches for bobcat e26, e14, e10, e16, e25, e19, e20 mini excavators/ diggers. These. Bobcat Quick Hitch Parts.
From stores.allskidsteers.com
Bobtach Assembly for Bobcat® Skid Steers Bobcat Quick Hitch Parts bobcat quick attach parts | shop replacement parts for your bobcat skid steer's quick attach system. Quick hitches for bobcat e26, e14, e10, e16, e25, e19, e20 mini excavators/ diggers. Made in the usa by rvm, not china Uses all oem compatible parts which are available from rvm or your local bobcat dealer. These quick hitches offer a reliable. Bobcat Quick Hitch Parts.
From blountparts.com
Bobcat 763 Skid Steer s/n 512252597 Quick Attach Adapter Plate 6709215 Bobcat Quick Hitch Parts Quick hitches for bobcat e26, e14, e10, e16, e25, e19, e20 mini excavators/ diggers. bobcat quick attach parts | shop replacement parts for your bobcat skid steer's quick attach system. These quick hitches offer a reliable and efficient solution for. Uses all oem compatible parts which are available from rvm or your local bobcat dealer. Made in the usa. Bobcat Quick Hitch Parts.